一、實驗所需電氣元件明細表:
| 代號 | 名稱 | 型號 | 數量 | 備注 |
| QF | 低壓斷路器 | DZ108-20/10 | 1 | |
| FU1 | 直插式保險座 | RT14-20/2A | 3 | 裝熔芯3A |
| FU2 | 直插式熔斷器 | RT14-20 | 1 | 裝熔芯2A |
| KM1、KM2 | 交流接觸器 | CJX2-1210 | 2 | 線圈AC380V |
| FR | 熱繼電器 | LR2-D1305N/0.63-1A | 1 | |
| SB1~SB5 | 按鈕開關 | 5 | 2綠2紅1黑 | |
| M | 三相鼠籠異步電機 | WDJ24(廠編) | 1 | 380V/Y |
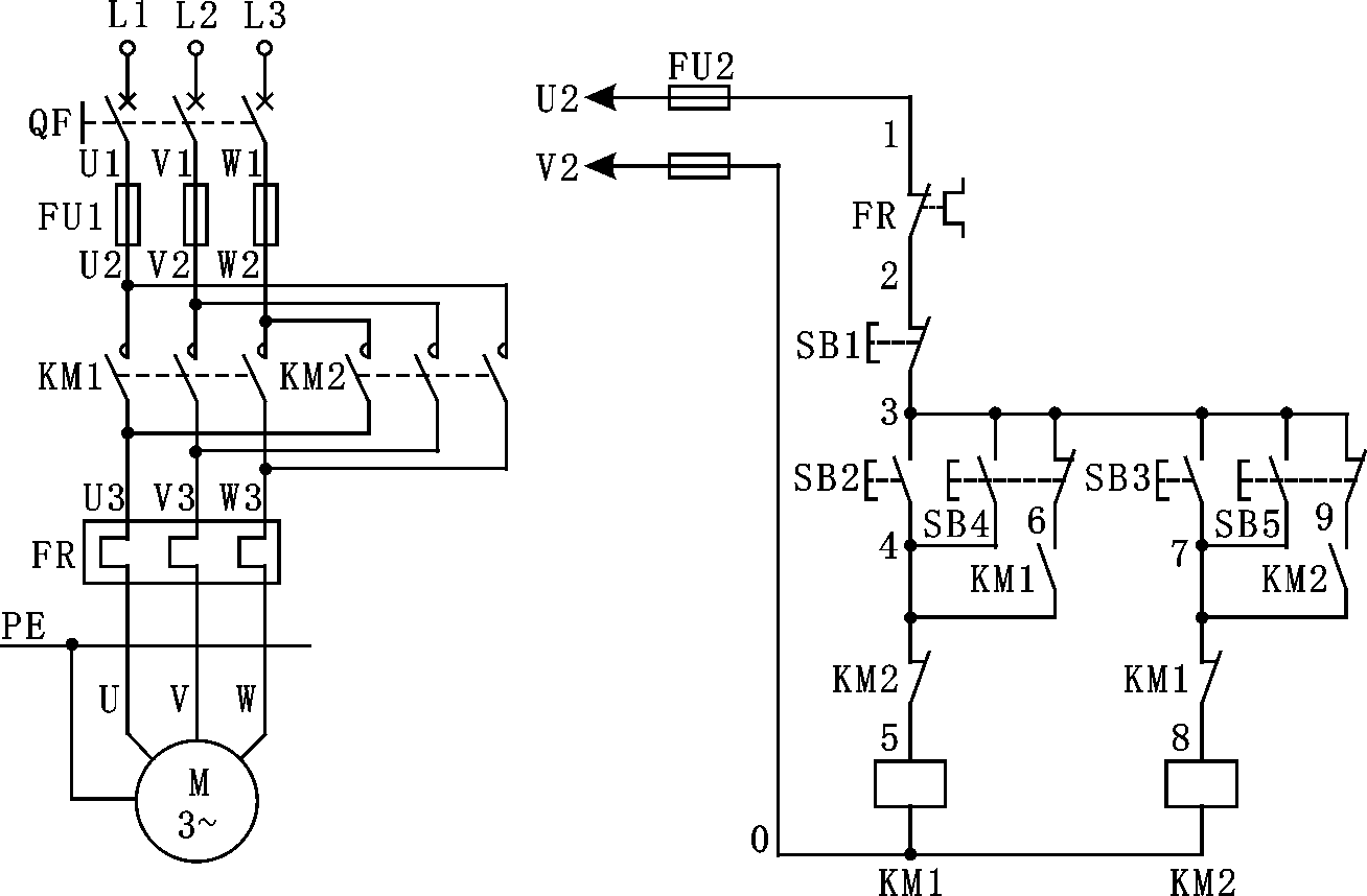
二、電氣原理

圖6(a)
圖6(a)控制線路的動作過程是:
(1)正轉啟動控制 合上電源開關QF,按正轉起動按鈕SB2,正轉控制回路接通,KM1的線圈通電動作,其常開觸頭閉合自鎖、常閉觸頭斷開對KM2聯鎖,同時主觸頭閉合,主電路按U1、V1、W1相序接通,電動機正轉。
(2)正轉點動控制 合上電源開關QF,按點動按鈕SB4,觸頭SB4(3-4)接通,KM1的線圈通電動作,電動機正轉,由于此時觸頭SB4(3-6)斷開,KM1不能自鎖;松開SB4,SB4(3-4)先斷開,SB4(3-6)后閉合,KM1失電釋放,電機停止。
(3)反轉啟動控制 合上電源開關QF,按反轉起動按鈕SB3,反轉控制回路接通,KM2的線圈通電動作,其常開觸頭閉合自鎖、常閉觸頭斷開對KM1聯鎖,同時主觸頭閉合,主電路按W1、V1、U1相序接通,電動機反轉。
(4)反轉點動控制 合上電源開關QF,按點動按鈕SB5,觸頭SB5(3-7)接通,KM2的線圈通電動作,電動機反轉,由于此時觸頭SB5(3-9)斷開,KM2不能自鎖;松開SB5,SB5(3-7)先斷開,SB5(3-9)后閉合,KM1失電釋放,電機停止。
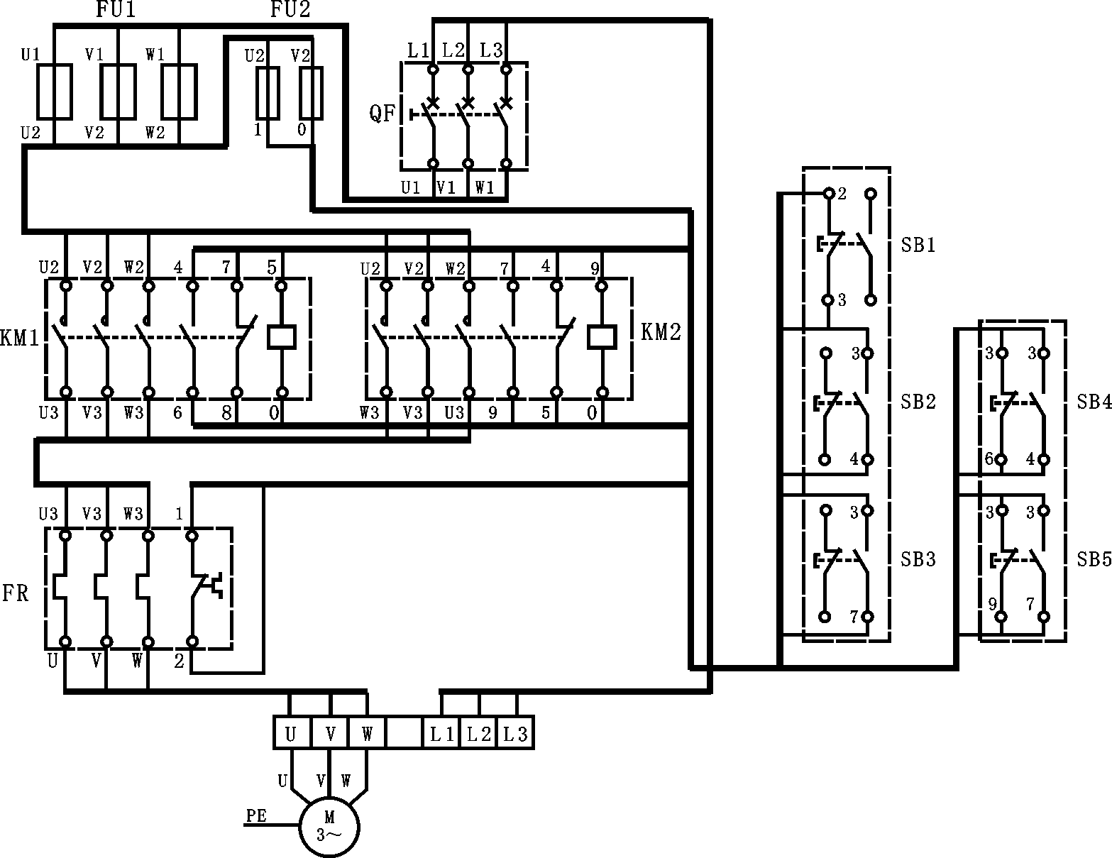
三、安裝與接線
布置與接線可參考圖6(b),操作者應畫出實際接線圖。安裝與接線后應符合第二章的要求。
四、檢測與調試
確認接線正確后,接通交流電源,按下SB2,接觸器KM1吸合并自鎖,電機正轉;按下SB1,再按SB3電機應反轉;按下SB1,電機應停轉。按下SB4,電機正轉,松開SB4,電機停止;按下SB5,電機反轉,松開SB5,電機停止;若不能正常工作,則應分析并排除故障。

圖6(b)


