DBQ-1A 電機及電氣技術實驗裝置操作說明及介紹
(一)電機及電氣技術實驗裝置實驗電源管理器操作說明
定時器與報警記錄儀是為幫助老師更好的管理學生,便于教學而設置的。老師可以設定定時時間,到定時時間能自動斷開電源,保證考核時間的正確性,又可累計操作過程中誤操作并會報警提示,并記錄下誤操作次數,以考察學生的實驗質量。另外還設置了密碼上電功能,限止學生私自上電操作,面板還有一個標準時間顯示,老師可以隨意調整該時間,該時間當裝置失電也不會遺失。
報警器的功能有電路漏電報警、高壓電源過載報警、定時報警三部分,記錄顯示的次數即以上三項報警次數的累加。
功能操作:
1、密碼輸入:輸入密碼(初始密碼:123)正確時裝置才能開機,否則不能開機。按功能鍵使面板最右邊顯示“1”,按確認鍵右邊顯示三位“一”,按數位鍵左邊位閃爍,按數據鍵加數調整,再按數位鍵移位并閃爍,再按數據鍵調整,如此反復至正確密碼,再按確認鍵確認,實驗臺自動上電,面板返回時鐘狀態。
2、定時設置:按功能鍵使最右邊位為“2”,如要調整定時時間按確認鍵,按數位鍵低位閃爍,按數據鍵調整好后,再按數位鍵移位,如此反復移至最高位,如不正確可反復按數位鍵移位,按數據鍵調整數據至最高位再按確認鍵確認,系統返回時鐘狀態。
3、時鐘設置:能修改面板標準時間;標準時間一般為北京時間,可根據老師需要自行調整;按功能鍵使最右邊顯示為“3”,按確認鍵低位閃爍,按數據鍵數據上升調整,再按數位鍵移位,再按數據鍵調整,如此反復調至左邊最高位后,如正確,按確認鍵,返回時鐘狀態。
4、定時查看:按功能鍵使最右邊顯示為“4”,按確認鍵即可查看定時設置的時間,再按確認鍵返回時鐘狀態。
5、報警查看:查看報警次數;按功能鍵使最右邊顯示為“5”,按確認鍵右邊顯示兩位數據,最高為“99”,再按確認鍵返時鐘狀態。
6、密碼修改:修改系統密碼;按功能鍵使最右邊顯示為“6”,按確認鍵,如需要新輸入密碼則按確認鍵,此時右邊三位顯示“0”,按數位鍵高位閃爍,按數據鍵調整,再按數位鍵移位閃爍,反復操作直至最右位按確認鍵確認,系統返回時鐘狀態。
7、報警復位:擦除報警記錄;按功能鍵使最右邊顯示為“7”,按確認鍵擦除報警記錄,并返回時鐘狀態。
8、查看密碼:該功能是為了防止操作者忘記密碼;按功能鍵使最右邊顯示“8”,按確認鍵右邊顯示三位系統密碼,在按確認鍵返回時鐘狀態。
9、復位鍵:按一下復位鍵,系統復位;需要重新輸入密碼才可開機。
(二)電機及電氣技術實驗裝置交流及直流電源操作說明
1. 開啟三相交流電源的步驟為:
1、開啟電源前。要檢查控制屏下面“直流電機電源”的“電樞電源”開關(右下方)及“勵磁電源”開關(左下方)都須在關斷的位置。控制屏左側端面上安裝的調壓器旋鈕必須在零位,即必須將它向逆時針方向旋轉到底。
2、檢查無誤后開啟“電源總開關”,“停止”按鈕指示燈亮,表示實驗裝置的進線接到電源,但還不能輸出電壓。此時在電源輸出端進行實驗電路接線操作是安全的。
3、按下“啟動”按鈕,“啟動”按鈕指示燈亮,表示三相交流調壓電源輸出插孔U、V、W及N上已接電。實驗電路所需的不同大小的交流電壓,都可適當旋轉調壓器旋鈕用導線從三相四線制插孔中取得。輸出線電壓為0~450V(可調)并由控制屏上方的三只交流電壓表指示。當電壓表下面左邊的“指示切換”開關撥向“三相電網電壓”時,它指示三相電網進線的相電壓;當“指示切換”開關撥向“三相調壓電壓”時,它指示三相四線制插孔U、V、W和N的輸出端的相電壓。
4、實驗中如果需要改接線路,必須按下“停止”按鈕以切斷交流電源,保證實驗操作安全。實驗完畢,還需關斷“電源總開關”,并將控制屏左側端面上安裝的調壓器旋鈕調回到零位。將“直流機電源”的“電樞電源”開關及“勵磁電源”開關撥回到關斷位置。
2. 開啟直流電機電源的操作:
1、直流電源是由交流電源變換而來,開啟“直流電機電源”必須先完成開啟交流電源,須開啟“電源總開關”并按下“啟動”按鈕。
2、在此之后,接通“勵磁電源”開關,可獲得約為220V、0.5V不可調的直流電源輸出。接通”電樞電源“開關,可獲得0~250V、3A可調的直流電源輸出。實驗中電樞電源調節有滯后性,到目標電壓值附近時,應該緩慢調節。
3、勵磁電源電壓及電樞電源電壓都可由控制屏下方的一只直流電壓表指示。當將該電壓表下方的“指示切換”開關撥向“電樞電壓”時,指示電樞電源電壓,當將它撥向“勵磁電壓”時,指示勵磁電源電壓。但“勵磁電源”與“電樞電源”,可獨立使用。
4、在做直流電動機實驗時,要注意開機時需先開“勵磁電源”,后開“電樞電源”;在關機時,則要先關“電樞電源”而后關“勵磁電源”的次序。同時要注意電樞電路中串聯電阻以防止電源過流保護。其操作要嚴格遵照實驗指導書中有關內容的說明。
(三)智能功率、功率因數表的使用方法
1、儀表由單片機、高精度A/D轉換芯片和LED數字顯示電路構成。
2、主要功能:
A、測量功率時,輸入電壓、電流的范圍為:5V~450V,200mA~5A。為保證測量準確,儀表內部分八個量程段,測量時能根據輸入信號的大小自動切換量程。
B、能測量功率因數(cosø值),并能自動判別負載性質(L或C)。
C、可測輸入信號的頻率。測量范圍為1.00~99.00Hz。
3、使用方法:
(1)接線:電壓輸入端與被測對象并聯,電流輸入端與被測對象串聯。
(2)開啟電源后,顯示器各位將依次顯示“P”,表明儀表已處于正常狀態,亦即初始狀態。
(3)“功能”鍵用來選擇測試項目。連續按動此鍵,會依次顯示以下項目:
U:電壓; I:電流; P:功率; COS:功率因數及負載性質;
FUC:頻率; SAUE:數據保存; DISP:數據查詢。
使用時,根據需要用“功能”鍵選定一項。對于前五項,選定項目后,按“確認”鍵,只要輸入端接有相應的信號,即顯示相應的測量值。測量單位為:電壓V,電流A,功率W,頻率Hz。
(4)數據保存。此功能只能保存COS和P二項的數據。操作方法如下:
用“功能”和“確認”鍵先后測量P或COS二項數據,待測得的數據穩定后,再按“功能”鍵,選定SAUE,按“確認”鍵。這時會顯示保存數據的序號(共可保存16組數據,序號為0~9,A~F),并保存該組數據。如要查詢該組數據,按“功能”鍵,選定DISP,按“確認”鍵,即找到該組存儲的數據。先顯示功率因數值,再按一下“確認”鍵顯示功率值。
注意:P和COS二項的數據是作為一組同時保存的。也可各自單獨保存,但這時是作為二組數據保存的。在查詢時,每組數據中沒測的那項數據為亂碼。
要讓微機采集和保存負載的U、I數據并顯示其波型和相位差別,必須至少保存一組P、COS數據。
4 測量線路:分為單瓦表法和雙瓦特表法兩種,單瓦特表法主要用于單相電路的功率測量,如單相變壓器和單相電動機,但也可以用于三相電路的功率測量(但不能直接顯示三相功率,需要換算);雙瓦特表法主要用于三相電路的功率測量,如三相變壓器和三相電機。
(1)用單瓦特表法測單相電路的功率,測量線路接線如下圖所示:

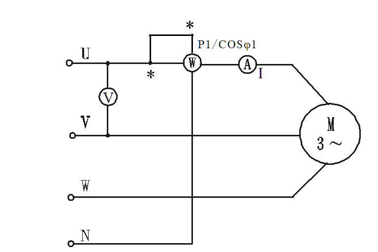
(2)用單瓦特表法測三相電路的功率,測量線路接線如下圖所示,所測三相電動機總功率為P=3·P1。

(3)用雙瓦特表法測三相電路的功率,測量線路接線如下圖,所測三相電動機總功率為P=P1+ P2。

(四)可調電阻器的接線與保護
裝置中用到的三相可調電阻器分為90歐和900歐兩種。每相有兩只電阻。每只電阻可調范圍為0~900歐(或0~90歐),允許電流為0.4A(或1.3A)。兩只電阻作為可變電阻使用時可有串聯和并聯兩種接法。接法介紹以下圖為例:
串聯:A3接線柱不用,A1與A2兩接線柱之間電阻的可調范圍為0~2×90歐。并聯:將A1和A2短接,A1和A3之間兩接線柱之間電阻的可調范圍為0~45歐。
由于實驗的需要,變阻器除了做可變電阻使用外,還可采用電位器接法做分壓器用。例如他勵直流發電機勵磁電壓調節就是采用電位器接法。做分壓器時可以單只使用,也可以并聯使用。分壓器接法為: 固定電壓接在A2和X2之間,而可變電壓可以從A3和A2(或A3和A4)端引出。
對變阻器的保護很重要。比如,旋鈕手柄調到最大及最小位置附近時,不要用力過大,否則可能使接觸碳刷超位,損壞變阻器;在變阻器的使用中,一定要保證流過變阻器的電流小于它的額定值,否則將燒斷電阻絲。

(五)校正直流測功機測量轉矩
轉矩是電機的重要物理量之一,準確測量轉矩對于旋轉電機的控制和使用具有十分重要的意義。電機轉矩測量主要有以下幾種方法:測功機法,校正過的直流電機法,轉矩儀法等。測功機是根據力的平衡原理設計的,常見的測功機法有機械測功機,渦流測功機,磁粉測功機和直流電機測功機等。直流測功機是傳統測功機中最常用的一種,用直流測功機測量電動機輸出轉矩的工作原理是:當被測電動機拖動直流測功機的轉子旋轉后(此時定子勵磁繞組已經通入勵磁電流),轉子電樞切割氣隙中的磁力線產生感應電動勢,如果電樞外接負載則有直流電流輸出。電樞電流和定子磁場相互作用,分別在測功機的定子和轉子上產生一個大小相等,方向相反的力矩。測功機轉子上力矩的方向是阻礙轉子的旋轉,對被測電動機來說是一個制動力矩,起到機械負載的作用。
直流測功機輸出的電能可以用電阻直接消耗掉,也可以通過逆變器回饋給電網。選擇直流測功機時,應注意其額定轉矩應為被測電機額定轉矩的1-3倍,過大則影響測量精度。
采用校正過的直流電機來測定轉矩,也是工程上常用的一種方法。所謂直流電機的校正只是指用高精度的測功設備(即:0.5級以上的測功機或轉矩儀等)實測直流電機在指定狀態下的轉矩-電流關系特性T=f(Ia)。當被測電機為電動機時,直流電機的校正在發電機狀態下進行;當被測電機為發電機時,直流電機的校正在電動機狀態下進行。 用測功設備校正直流電機的方法是:直流電機的勵磁采用它勵,校正前反復增大和減小勵磁電流,使被測校正直流電機的剩磁穩定,然后將勵磁電流調節至所需數值并且在校正實驗中保持不變。待電機軸承,電刷等的摩擦損耗穩定后,在穩定轉速下測取電樞電流和對應的轉,繪制轉矩-電流關系特性曲線,繪制關系曲線簇。用校正過的直流電機來測定電機軸上的轉矩時,只需測取穩態運行的直流電機的電流和轉速,然后根據T=f(Ia)關系曲線,就可以查到被測電機軸上的轉矩值,根據測的的轉矩和轉速,還可以按下式計算出電機輸出的機械功率P2=0.105Tn ,式中P2--- 電機軸上的機械功率,單位為W, T----電機軸上輸出的轉矩,N.m, n---電機的轉速,單位為r/min。
實驗中,把直流校正測功機的勵磁電流調整到校正值If2=100 mA,根據測功機的電樞電流IaG大小查找待測電動機的輸出轉矩T2 。出于方便考慮,下面給出了在If2=100 mA的情況下的T2= f( IaG )的數據表,可直接查表找出對應的T2 值,同時,轉矩-電流關系特性曲線也給出。
| IaG(A) | 0 | 0.1 | 0.2 | 0.3 | 0.4 | 0.5 | 0.6 | 0.7 | 0.8 | 0.9 | 1.0 |
| T2(N.M) | 0.182 | 0.290 | 0.396 | 0.506 | 0.612 | 0.720 | 0.828 | 0.935 | 1.045 | 1.155 | 1.265 |
| IaG(A) | 1.1 | 1.2 | 1.3 | 1.4 | 1.5 | 1.6 | 1.7 | 1.8 | 1.9 | 2.0 | 2.1 |
| T2(N.M) | 1.375 | 1.482 | 1.588 | 1.690 | 1.789 | 1.887 | 1.986 | 2.080 | 2.170 | 2.251 | 2.340 |

校正直流測功機電樞電流IF- T2轉矩關系曲線


