圓錐齒輪傳動機構
一、實驗的目的:
1、了解圓錐齒輪傳動的構成,認識其組成元件;
2、掌握圓錐齒輪相關幾何參數的定義及其意義;
3、掌握圓錐齒輪傳動比、齒輪傳動系統中軸的轉速及力矩的計算方法;
4、了解圓錐齒輪的不同類型及其在工程實際中的應用;
5、了解圓錐齒輪傳動的類型及其應用;;
6、訓練學生的工程實踐動手能力,培養學生的創新意識及綜合設計的能力。
二、實驗原理及特點
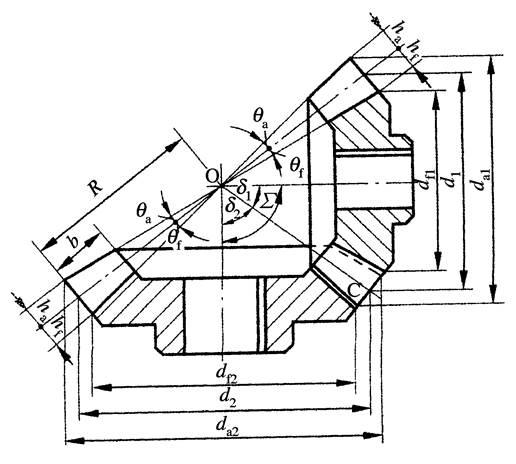
錐齒輪傳動特點:錐齒輪機構屬于空間齒輪機構,錐齒輪傳動可用于傳遞兩相交軸之間的運動。兩輪之間的交角為Σ,一般情況下Σ=90°。錐齒輪的輪齒分布在截錐體上,因此,在齒寬方向,輪齒的厚度是變化的。按齒向可以將錐齒輪分為直齒錐齒輪、斜齒錐齒輪和曲齒錐齒輪。圖1所示為直齒錐齒輪傳動。

圓柱齒輪中的各有關圓柱參數,對于錐齒輪都變為圓錐參數了。錐齒輪的兩個端面的尺寸不同,因此將其分為大端參數和小端參數,為了計算和測量方便,通常取錐齒輪大端的參數為標準值,即大端分度圓壓力角a=20°,大端模數為標準模數。直齒錐齒輪在設計、制造和安裝方面都比較簡單,應用廣泛。
三、實驗設備及功能
1)實驗臺機架
實驗臺機架如圖2所示:機架中有5根鉛垂的活塞桿,它們可沿X軸左右移動,固定靠六角頭螺釘和蝶型螺母固定。需移動時請先將蝶型螺母松開,雙手推動活塞桿.并盡可能使它保持垂直狀態。活塞桿上的滑塊可沿Z軸上下移動,用內六角螺釘將滑塊緊定在活塞桿上。(注意:在移動立柱或滑塊時需用直尺或卷尺量出它們的相對位置再把螺釘擰緊。)

圖2 機架
2)其它組件
| 序號 | 名 稱 | 示 意 圖 | 規 格 | 數量 | 備 注 |
|
1 |
主動軸帶輪 |
![]() |
1 | ||
|
2 |
電機軸帶輪 |
![]() |
1 | ||
|
3 |
主 軸 |
![]() |
2 | ||
|
4 |
錐 齒 輪 |
M=2,Z=30 | 2 | ||
|
6 |
端 蓋 |
![]() |
3 | ||
|
7 |
卡 環 |
![]() |
2 |
3)其它標準件及工具
提供M5平頭螺釘.M3圓頭螺釘內六角扳手一套,1m卷尺一把,開口扳手1個。
提供M5平頭螺釘.M3圓頭螺釘內六角扳手一套,1m卷尺一把,開口扳手1個。







